| Product name: | MF-2905 |
| Category: | Mechanical sensors |
| Product model: | MF-2905 |
Features & Applications
Low deflection tension and compressionload cell with metal foil strain gauge technology, made of stainless steel.
Mainly used for pull and push dynamometer.hopper scale and industrial measuring systems.
Load Direction

Schematic Wiring Diagram
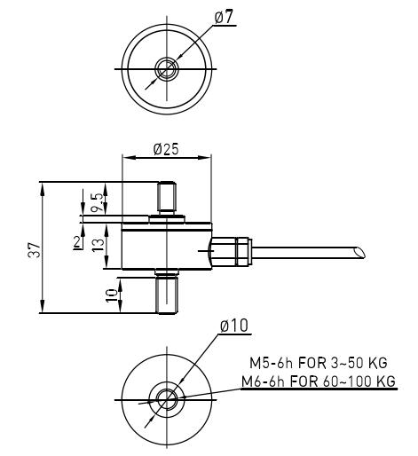
Size and Capacity
Capacity:1 .2, 3, 5, 10, 15, 20, 30, 50, 60, 100kg
Technical Parameters

